欢迎访问九游会·J9-官方网站|真人游戏第一品牌 官网!
作为一家专业的环保污水处理公司,九游会·J9-官方网在中国走过了差不多7个年头了,高品质一直是我们的代名词,特别是针对污水处理设备的电气领域有着我们的独特优势,那么下面这篇文章,我们就来谈谈西门子G120变频器的控制单元CU240E-2接线端子定义是什么。
CU240E-2的外观如下图:
根据通信接口的不同和是否集成了故障安全功能,CU240E-2可分为六种型号:
CU240E-2(RS485接口);
CU240E-2F(RS485接口,集成故障安全功能);
CU240E-2DP(Probus-DP接口);
CU240E-2DP-F(Probus-DP接口,集成故障安全功能);
CU240E-2PN(ProfiNet接口);
CU240E-2PN-F(ProfiNet接口,集成故障安全功能);
不同型号的控制器的输入/输出接线端子的定义基本相同,具有F功能(故障安全)的控制单元有故障安全数字量输入(F-DI)通道。
CU240E-2有6路数字量输入(DI),端子编号5~8是DI0~DI3;端子编号16~17是DI4~DI5,如下图:

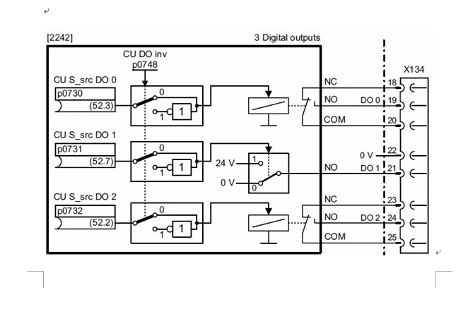
CU240E-2有2路数字量继电器输出(DO-Relay)和1路数字量晶体管输出(DO-T),其中端子编号18~20为DO 0(继电器输出);端子21为DO1(晶体管输出);端子23~25为DO2(继电器输出);如下图:
CU240E-2有2路模拟量输入和1路温度传感器输入,端子编号3、4为模拟量输入通道0(AI 0);端子编号10、11为模拟量输入通道1(AI 1) ;端子编号14、15为温度传感器的接线端子;如下图:
CU240E-2有2路模拟量输出,端子编号12、13为模拟量输出通道0(AO 0);端子编号26、27为模拟量输出通道1(AO1);如下图:
对于集成了故障安全数字量输入(F-DI)的控制单元,是把原来的6路数字量输入,两两一组,作为故障安全F-DI使用(例如:DI4和DI5组成F-DI0)。
其F-DI的定义如下图:
G120属于西门子新一代变频驱动平台SINAMICS,包括三个系列的产品:V系列、G系列和S系列。G系列为通用型变频器,使用广泛,九游会·J9-官方网根据客户需求,已开始使用该系列产品。
想了解更多信息可登陆九游会·J9-官方网官网,官方网址 //hczykcp.com ,专业工业废水处理公司,九游会·J9-官方网致力于工业废水处理一站式解决方案,38年欧洲环保行业服务经验,管理好客户的每一滴水是我们的使命
【文章来源:G120变频器控制单元CU240E接线端子定义 hczykcp.com】
